Home>Product>Anti Freeze Valve
| Product Name | Model | Port Size | Body Material | Open/Close Temp(℃) | Ambient Temp(℃) | Maximum Pressure(MPa) | Straight Flow Rate(Cv) | Discharge Flow Rate(Cv) | Net Weight(g) |
| Freeze Protection Valve Set | FP15GD-35-G1-ST | Male 1″ | Brass | 1~4 | 30~65 | 0.6 | 10 | 0.6 | 256 |
| Freeze Protection Valve Set | FP15GD-35-G1 1/4-ST | Male 1 1/4″ | Brass | 1~4 | 30~65 | 0.6 | 16 | 1 | 280 |
| Freeze Protection Valve Set | FP15GD-35-G1 1/2-ST | Male 1 1/2″ | Brass | 1~4 | 30~65 | 0.6 | 25 | 1 | 300 |
FP15-35-ST series antifreeze valve set can accurately sense the ambient temperature and water temperature, intelligently drain circuit medium-water near 4 °C without electricity power and manual interfere.
Application
Working with monoblock heat pump, the antifreeze valve can automatically judge the operation state of the system. When the system is shut down or power off unexpectedly,the antifreeze mode can be opened in time:when the valve sense the temperature drops to 3°C, the valve will drain water to prevent system freezing.
With the decrease of water temperature, the antifreeze valve can automatically increase the drainage speed, effectively balance the heat loss in the system. The valve will be automatically closed when the water temperature rises to 4 °C.
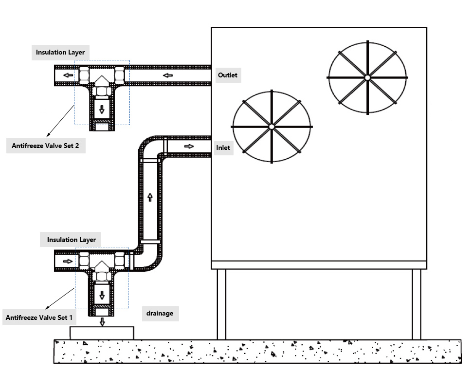
The Installation of Antifreeze Valve Sets
1) It is recommended to install antifreeze valve sets connected with both pipes (flow and return) of outdoor heat ex-changer of the heat pump(as shown in the figure). Otherwise, freeze protection may fail due to negative pressure inside the water system when antifreeze valve drains water.
2) The antifreeze valve shall be installed vertically downward, the one connected with inlet pipe should be installed in the lowest position of the ourdoor system.
3) The antifreeze valve shall be installed outdoor, at the position that can sense the lowest temperature of the system, and shall not be installed near the heat source which could interfere with proper function.
4) In order to reduce the water discharge by antifreeze valve, the water pipeline and antifreeze valve sets shall be same insulated.
5)Do not make any trap connections.
6)It is not recommended to connect the drainage pipe behind the antifreeze valve.This may cause the failure of antifreeze due to freeze blocking the drainage pipeline.

Freeze Protection Valve Replacement
In the event of a malfunction, the Freeze Protection Valve 1 can be replaced. An automatic shut-off cock 2 prevents the water from draining while the cartridge is being replaced, thereby keeping the system pressurised.

Western Yard, Yard No. 18, Babeicun, Taiyanggong, | Tel:86-10-8404-4009 | Website:www.valcoo.com
Contact usBeijing Winning Thermo Control Equipment Co., Ltd
亿网中国 网站建设