Home>Product>Anti Freeze Valve
Material: Brass body.
Port size: 1''
Maximum working pressure: 6 bar.
Working temperature range: 0–95 °C.
Ambient temperature range: -30–65 °C.
Water temperature for opening drain: 3 °C.
Water temperature for closing drain: 4 °C.
Cv (straight path): 25
Cv (drainage path): 0.3
Accuracy:±1 °C
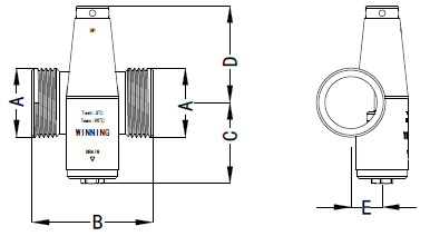
Size


Method
LF15-35-JQ compact antifreeze valve can accurately sense the water temperature, intelligently drain circuit medium-water near freezing point without electricity power and manual interfere.
Application
Working with monoblock heat pump, the antifreeze valve can automatically judge the operation state of the system. When the system is shut down or power off unexpectedly, the antifreeze mode can be opened in time:when the valve sense the temperature drops to 3°C, the valve will drain water to prevent system freezing. The valve will be automatically closed when the water temperature rises to 4 °C.
Installation
1) It is recommended to install antifreeze valve connected with both pipes (flow and return) of outdoor heat ex changer of the heat pump(as shown in the fig E.

2) The antifreeze valve shall be installed vertically downward, to allow the drained water to flow out properly and free from obstructions.
3) The antifreeze valve shall be installed outdoor, at the position that can sense the lowest temperature of the system, and shall not be installed near the heat source which could interfere with proper function.
4) Leave at least 15 cm clearance from the ground (fig. A) to prevent the block of ice which may form below from stopping water from draining from the valve.

Keep a distance of at least 10 cm between the antifreeze valves (fig. B), if the drains are facing the same way.

For compact installation, devices can be installed on the same vertical axis; make sure the drains (fig. C)

5)Do not make any trap connections(fig D).
6)It is not recommended to connect the drainage pipe behind the antifreeze valve.This may cause the failure of antifreeze due to freeze blocking the drainage pipeline.

Maintainance
Vacuum breaker
The vacuum breaker can be replaced with spare part.

Western Yard, Yard No. 18, Babeicun, Taiyanggong, | Tel:86-10-8404-4009 | Website:www.valcoo.com
Contact usBeijing Winning Thermo Control Equipment Co., Ltd
亿网中国 网站建设